
| 介质 循环冷却水 最大使用压力: | DN | 80~200 | 230 PSI | 18 bar |
| 介质 冷凝水 最大使用压力: | 80~200 | 580 PSI | 40 bar | |
| 最高使用速度(转子): | ||||
| DN | 80~200 | 300 RPM | 300 min-1 | |
| 最高使用温度: | 220℃ | >220℃ 请咨询创启旋转接头 | ||



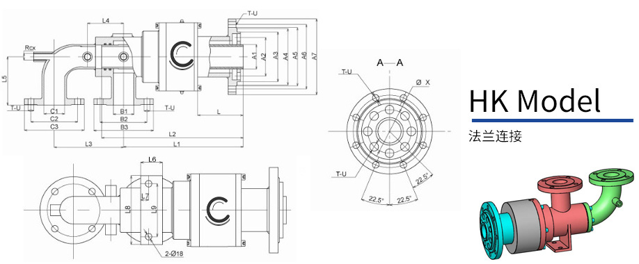
| HK型冷渣器旋转接头 - 内管旋转式 - 法兰连接 | |||
| 规格型号 | 进回水接口 | 试验压力(Mpa) | 参考流量(T/h) |
| HKS-XF 80-50 | DN50 | 1.6 | 7 |
| HKS-XF 100-65 | DN65 | 1.6 | 15 |
| HKS-XF 125-80 | DN80 | 1.6 | 25 |
| HK-TS-XF 80-50 | DN50 | 2.5 | 7 |
| HK-TS-XF 100-65 | DN65 | 2.5 | 15 |
| HK-TS-XF 125-80 | DN80 | 2.5 | 25 |
| HK-TS-XF 150-100 | DN100 | 2.5 | 45 |
| HK-RTO-XF 125-80 | DN80 | 4 | 30 |
| HK-RTO-XF 150-100 | DN100 | 4 | 50 |
| HK-RTO-XF 200-125 | DN125 | 4 | 85 |
| HK-MP-XF 100-65 | DN65 | 4 | 16 |
| HK-MP-XF125-80 | DN80 | 4 | 30 |
| HK-MP-XF 150-100 | DN100 | 4 | 50 |
| HK-MP-XF 200-125 | DN125 | 4 | 85 |
















